004435 - Детский игровой комплекс «Самолёт»

Добавить в избранное
01_Красный_Желтый_Зеленый
13_Изумрудный_Салатовый_Желтый
14_Рыжий_Салатовый_Желтый
_Красный/Желтый
  • Стоимость: по запросу
Детский игровой комплекс должен представлять собой устойчивую, модульную конструкцию из игровых и развивающих элементов, стилизованных под самолет.
Характеристики
  • Артикул: 004435
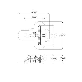
  • Габаритные размеры: 7840х7100x2545 мм
  • Возрастная группа: от 3 до 10 лет
Описание
Характеристики

Детский игровой комплекс должен представлять собой устойчивую, модульную конструкцию из игровых и развивающих элементов, стилизованных под самолет. Самолет должен состоять из носовой части, кабины, фюзеляжа, крыльев, хвостовой части. Кабина самолета должна иметь штурвал с сидениями и приборную панель. Вращающиеся лопасти пропеллера, установленные в носовой части должны быть закрыты с 2-х сторон поликарбонатным листом, толщиной не менее 6 мм. По бокам самолета должны быть установлены крылья, выполненные в виде двух вынесенных шведских стенок с поручнями, рукоходами с несущими стойками и с фанерными накладными элементами по периметру рукохода. Вход на самолет должен осуществляться через проемы с поручнями, установленные по бокам кабины и через лестницу, установленную в центральной части самолета. К хвостовой части самолета должна крепиться горка. Фюзеляж самолета должен быть оснащен декоративными арками, установленными на несущих столбах, боковыми стенками и стенками с иллюминаторами. Пол самолета должен быть выполнен из влагостойкой фанеры толщиной не менее 21 мм. В нижней части несущих столбов должны крепиться декоративные элементы в виде шасси самолета. Несущие столбы комплекса должны быть выполнены из клееного деревянного бруса сечением не менее 100х100 мм и иметь скругленный профиль с канавкой посередине. Сверху столб должен заканчиваться пластиковой заглушкой, снизу столб должен заканчиваться металлическим оцинкованным подпятником диаметром не менее 42 мм, который бетонируется в землю. Сиденья, стенки с иллюминаторами, арки, боковые стенки, накладные элементы крыльев, панель приборов должны быть изготовлены из влагостойкой фанеры толщиной не менее 21 мм. Перекладины шведской стенки, перекладины рукохода, несущие стойки рукохода, поручни должны быть выполнены из металлической трубы диаметром не менее 33 мм. Горка должна состоять из ската, бортиков, защитной секции и защитной перекладины.   Горка должна иметь стартовый участок высотой не менее 950 мм, участок скольжения и конечный участок.  Скат должен быть изготовлен из единого листа нержавеющей стали толщиной 1,5 мм, утопленный в паз бортиков горки.  Бортики горки, выполненные из влагостойкой фанеры толщиной не менее 21 мм должны быть высотой не менее 100 мм. Защитная перекладина должна быть выполнена из металлической трубы диаметром не менее 33 мм, побуждающая ребенка присесть и установлена на высоте не менее 700 мм от уровня поверхности стартового участка горки. Защитная секция горки должна быть выполнена из влагостойкой фанеры толщиной не менее 21 мм. Лестница должна быть оснащена перилами, выполненные из деревянной доски толщиной не менее 40 мм. Перила должны быть установлены от первой ступени. Ступени лестниц должны быть выполнены из ламинированной противоскользящей влагостойкой фанеры толщиной не менее 15 мм и деревянной доски толщиной 40 мм, склеенных между собой. Расстояние между ступенями должно быть одинаковым.

  • Артикул: 004435
  • Габаритные размеры: 7840х7100x2545 мм
  • Возрастная группа: от 3 до 10 лет